产品选型
选择臂展
  • 不限
  • 1.5米以内
  • 2米以内
  • 2.5米以内
  • 3米以内
  • 4米以内
选择负载
  • 不限
  • 10kg以内
  • 30kg以内
  • 50kg以内
  • 100kg以内
  • 200kg以内
  • 400kg以内
选型工具
嘿,您好
我能帮上什么忙?

给星空电竞留言

请留言

CRP-RH26-185
描述
工业机器人搬运用途
功能特点
  • 臂展2.6米,刚性高,负载能力强,运行更平稳。

  • 采购中空手臂结构与内置手腕电缆,无需考虑外部缠绕方式导致与邻机器人或周边设备相互产生的干涉。

  • 手臂电机内置,外观简洁,适于狭小空间作业,运动更灵活。

  • 根据用户使用场景,提供多种可选配置,可用于点焊、搬运、打磨,组装等生产线。

  • 本体电缆采用柔性机器人专用电缆。

  • 内装三相滤波器,有效改善EMC和EMI性能。

  • 本体提供中12mm双回路气管与中19.5mm双回路水管,满足焊接、搬运的需求。

  • 采用高速、高过载能力伺服电机、高精度RV减速机与最新防振控制策略等,缩短节距操作时间,优化伺服焊枪的枪轴操作顺序,大幅缩短周期时间。

  • 整机安装占地面积少,可实现高密集度的安装布线,多台协作工作。

  • 机器人结构简洁,操作界面友好,易于维护保养,易操作。

本体技术指标

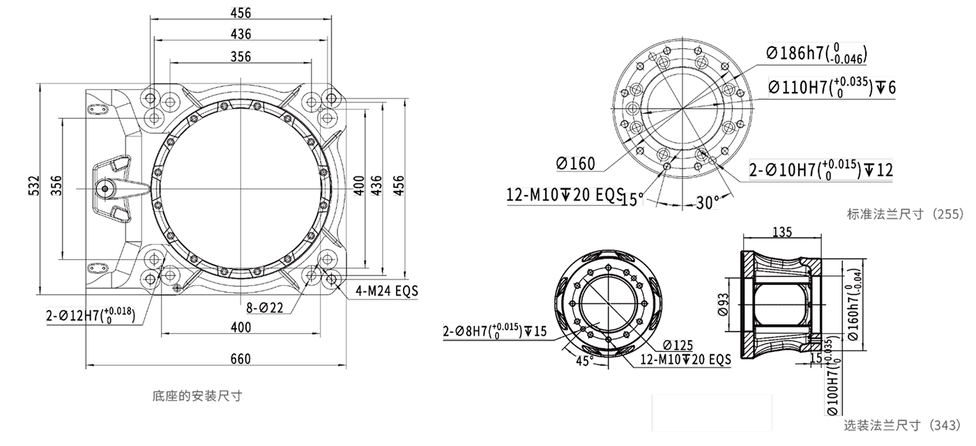
安装接口图

工作范围图